Ringmagnet Hartferrit, anisotrop 45 x 22 x 8,5 mm
Produkt-Nr.:
2*45-22-8
Hartferrit ist der gängigste und preiswerteste Magnetwerkstoff. Dieser Werkstoff hat gute aber keine überragenden Haftkräfte. Das Material wird als Pulver abgebaut und in einem Sinterprozess in die gewünschte Form gepresst und dann gebacken. Als letzter Arbeitsschritt wird es in einer Spule magnetisiert. Das Material ist hart und spröde. Wenn ein Rohmagnet Stößen ausgesetzt ist oder runterfällt, zerspringt er in viele Einzelteile, die sehr scharfkantig sein können. Um einer Verletzungsgefahr vorzubeugen, werden diese Magnete von unseren Kunden meist in ein Gehäuse eingebettet.
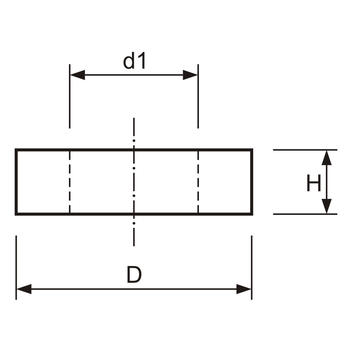
Größentabelle
| D in mm | Toleranz D in mm | H in mm | Toleranz H in mm | d1 in mm | Toleranz d1 in mm | Senkung | Haftkraft in N | max. Einsatztemperatur in °C | Klima | Qualität | Magnetisierung | |
|---|---|---|---|---|---|---|---|---|---|---|---|---|
| 2*13-3-3 | 13,6 | +/-0,3 | 3,9 | +/-0,1 | 3,5 | +/-0,1 | ja | 2,5 | 250 | feucht | 26/22 | axial |
| 2*17-4-5 | 17,2 | +/-0,3 | 5,3 | +/-0,1 | 4,1 | +0,4 / -0 | ja | 5 | 250 | feucht | 26/22 | axial |
| 2*22-5-6 | 21,8 | +/-0,35 | 6 | +/-0,1 | 5,5 | +/-0,2 | ja | 8,5 | 250 | feucht | 28/16 | axial |
| 2*28-5-6 | 28 | +/-0,5 | 6 | +/-0,1 | 5,5 | +/-0,25 | ja | 13 | 250 | feucht | 24/23 | axial |
| 2*35-5-6 | 35,5 | +0 / -0,8 | 6,5 | +/-0,1 | 5,5 | +/-0,2 | ja | 18 | 250 | feucht | 28/16 | axial |
| 2*40-19-7 | 40 | +/-0,8 | 7,5 | +/-0,1 | 19 | +/-0,4 | nein | 26 | 250 | feucht | 26/22 | axial |
| 2*45-22-8 | 45 | +0 / -0,8 | 8,5 | +/-0,1 | 22 | +/-0,4 | nein | 28 | 250 | feucht | 26/22 | axial |
| 2*72-32-15 | 72 | +/-1,2 | 15 | +/-0,1 | 32 | +/-0,5 | nein | 53 | 250 | feucht | 26/22 | axial |
| 2*86-34-18 | 86 | +/-1,2 | 18 | +/-0,1 | 34 | +/-0,5 | nein | 106 | 250 | feucht | 26/22 | axial |